Wanted to draw the circuits as it is organized on the engine side of the firewall. The cabin side is just schematic.
Categories
ailerons
(16)
avionics
(141)
electrical
(180)
elevator
(23)
Empennage
(55)
firewall forward
(222)
flaps
(12)
fuel cells
(68)
fuselage
(596)
horizontal stabilizer
(14)
instructions
(3)
interior
(104)
paint
(36)
Painting Planes
(3)
panel
(67)
propeller
(3)
rudder
(16)
seats
(5)
ServiceBulletin
(1)
shop
(33)
Sling Central
(23)
tools
(41)
vertical stabilizer
(20)
video
(37)
welcome
(22)
wheels
(44)
wings
(147)
Wednesday, May 1, 2019
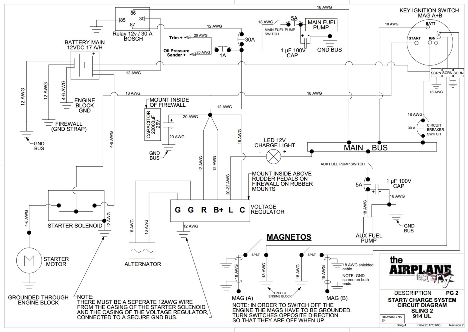
A couple of hours drawing the charging circuit as it is actually organized on the firewall. I'll post these to the firewall page too.
Wanted to draw the circuits as it is organized on the engine side of the firewall. The cabin side is just schematic.
Supplemental info not shown in the above diagram. This is not my exact circuitry, but it does show some more of the wiring I will use (e.g. regulator, fuel pumps) and wire sizes.
Same comment.
Wanted to draw the circuits as it is organized on the engine side of the firewall. The cabin side is just schematic.
Subscribe to:
Post Comments (Atom)





No comments:
Post a Comment